9-26 高压离心通风机
- 本店售价:面议
面议
- 商品货号:ECS020063
|
产品名称 :
|
9-26 高压离心通风机 |
|
产品品牌 :
|
万丰 |
.png)
万丰风机无锡有限公司(无锡光泰煤矿风机厂) 坐落于美丽的太湖之畔惠山区,地理位置优越,交通十分便利。
本公司是一家初具规模,集研发、制造、销售为一体的风机专业生产公司。本公司专业生产离心通风机(4-16、4-68、9-19、9-72型)及FBD系列隔爆型压入式对旋轴流局部通风机、FBCZ系列煤矿地面用防爆抽出式轴流通风机及工矿通用型风机运用先进的CAD辅助设计系统,本公司的技术力量雄厚,检测设备齐全。已获得IS09001:2000质量体系认证,全国工业品生产许可证、矿用煤安(MA)准用证。企业秉承精益求精,客户至上,团结创新的理念和完善的售后服务,在同行中占有领先的优势。同时企业还可以为用户提供特殊的设计与制造,真诚为用户提供全面、完善服务。
本公司本着“质量优质,用户至上”的原则,始终以科技为先导,依靠科学的管理,以优良的品质,合理的价格,及时的交货加以高品质和诚信的服务来满足用户的需求;同时真诚欢迎广大客户莅临指导,共创辉煌!
一、风机的用途
9-19、9-26型高压离心通风机,一般用于锻冶炉及高压强制通风,并可广泛用于输送物料、输送空气机无腐蚀性、不自然、不含粘性物质之气体。介质温度一般不超过50℃(最高不超过80℃),介质中所含尘土及硬质颗粒不大于150mg/m3
二、性能与选择
9-19与9-26型风机只给No10样机的无因此性能表机曲线。由给出的无因此性能表曲线计算No10以上风机的有因此性能。
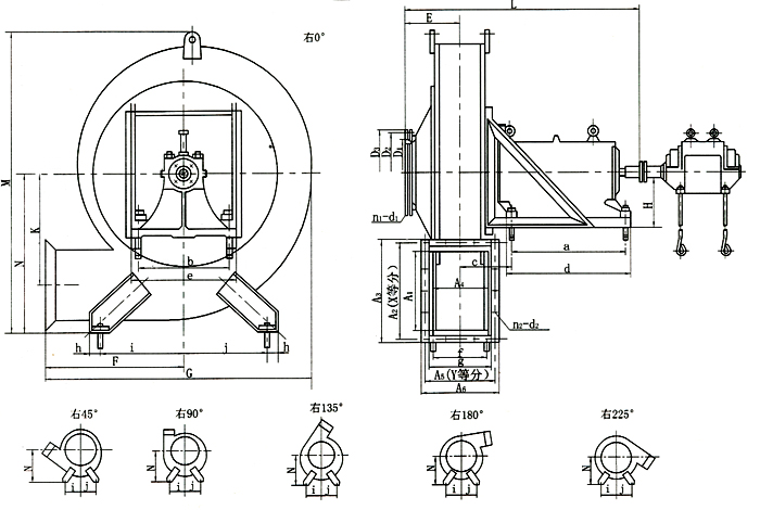
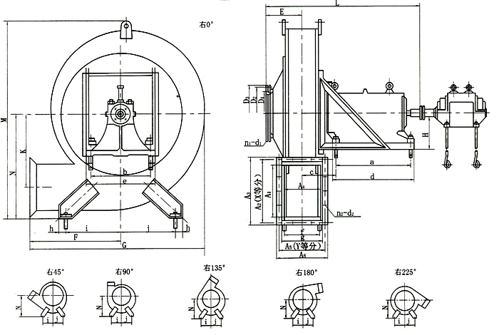
三、9-19、9-26No7.1~16D高压离心通风机外形尺寸安装尺寸图
购买热线:18762658562