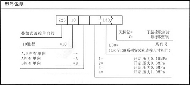
Z2S10系列叠加式液控单向阀
- 本店售价:面议
面议
- 商品货号:ECS014160
|
产品名称 :
|
Z2S10系列叠加式液控单向阀 |
|
产品品牌 :
|
锝隆 |
无锡市锝隆液压设备有限公司专业生产液压阀、液压泵及各种液压配件,设计制造液压站、液压系统,可按客户要求对液压系统进行改装维修,协助现场安装调试。我们致力开发最新产品以满足市场需求的不断扩大,产品包括了力士乐型,油研型,上海型及联合设计型, 大大满足了市场的需求。
我公司设计开发的液压系统和设备广泛用于工程机械、轻工机械、塑料机械、橡胶机械、交通运输机械以及冶金、矿山、机床、船舶等液压系统中。 在新老客户的大力支持下,公司发展迅速,欢迎全国各地的客户与我们联系接洽。
.jpg)